CUSTOMER SERVICE

대한민국 철강의 경쟁력

E-catalog
  • E-catalog
  • 대표 프로젝트
  • 청원 갤러리
> PR CENTER > E-catalog

E-catalog

ENOTEX _ Suspended sensor with holder

2025.09.30

442

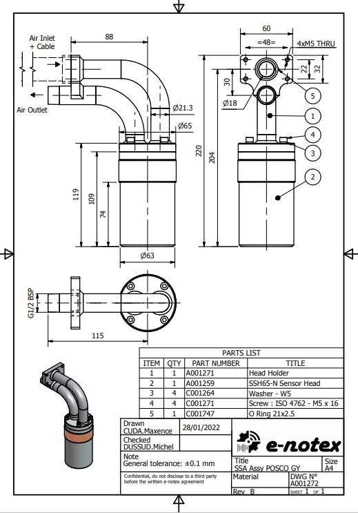
1. 품명 :  Suspended sensor head with holder

2. 제조사 :  E-NOTEX (프랑스)

3. 제조사 Ref. no. :  A001272 (including SSH65-N)

4. 호환성 :  포스코 광양 2연주에서 사용중인 Nireco 센서와 호환가능합니다.

5. 비고 :  하기 도면 참조